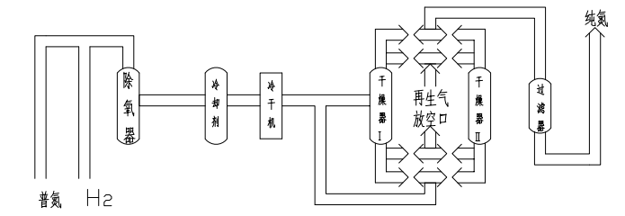
氮气纯化装置概述
根据用户工艺的要求采用无氢纯化工艺—即钯碳纤维燃烧法除氧。其工作原理为制氮机出来的氮气经加热后进入装有碳纤维的脱氧器内,氮气中的氧和载有催化剂的碳在催化剂的作用下发生如下化学反应C+O2 = CO2
在催化剂的作用下,其化学反应完成,脱氧后氮气中残氧含量可小于0.1ppm。脱氧后的氮气经冷却后进入装有分子筛的吸附器内,氮气中的水分和CO2被分子筛深度吸附,经过滤后即可获得高纯度的氮气。该工艺优点为产品氮气中无氢含量,特别适用于对氢含量有严格要求场合。但脱氧器内的脱氧剂(钯碳纤维)为消耗型,我们为贵公司设计的此套装置的脱氧剂更换周期为一个月,使用一个月后便可通过切换除氧器来保证连续生产,另一反应完全的除氧器则需重新更换除氧剂,我们为考虑到后期使用换料的方便性,设计进料与放料口,使换料过程简单化(每次换料仅需5分钟)。
氮气纯化设备
特点采用高效催化剂加氢除氧,不需要活化,除氧范围广,适用于含量较高,对过量氢不作要求的工艺生产。
技术参考指标:
纯度≥99.9995%
氧含量≤5ppm
氢含量: 500ppm- -5% (可调)
露点≤-70°C
工艺流程图:(二选一)


氮气纯化设备
特点原料气氧含量小于1000ppm时,使用高效脱氧剂加碳除氧,氮气纯度和压力不受氢气影响。
●纯度≥99.9995%
●氧含量≤5ppm
●氢含量:5ppm
●露点≤-70°C
●纯气压力:0.05-0.8Mpa