一、气体纯化(DCZ-1型加氢除氧)氮气加氢除氧纯化技术是一种制备高纯度气体的方法。它适用于电子、半导体、医药等领域所需的高纯度气体,如氢气、氮气、氩气、氧气等。这种技术不仅可以使气体更加纯净,同时还可以提高工艺的可靠性,促进设备的寿命,减少生产成本,因此受到了广泛的应用和研究。
二、工作原理
氮气加氢除氧纯化技术是通过加氢来去除氧,在此基础上制备高纯度气体。其工作原理如下:
1. 去氧反应
氧气在高温高压下会与氢气发生反应,生成水蒸气,并释放大量的热量。因此,在反应过程中,需要对产生的热量进行有效控制,以保证设备的安全运行。
2. 去杂质
经过上述反应后,气体中除氧以外的杂质会被转化成无害的物质,并通过各种过滤器去除。这样就实现了对气体中杂质的去除。
3. 增压
在氧气被转化成水蒸气后,需要将气体增压,使其达到高纯度气体所需的压力。同时,加压也可以使气体更加纯净,去除其中的杂质。
4. 加氢
在增压过程中,需要将氢气加入气体中,在催化剂的作用下,气体中的残余氧气会被还原成水蒸气,并被吸附在催化剂表面上。所以,加氢是这种技术中不可或缺的步骤。
5. 纯化
在上述反应中,产生的水蒸气会通过冷凝器,被转化为液态水,随后被除去。而气体中其它杂质,如污染物、气溶胶和气体残留物等,也会通过各种过滤器进行去除。
技术参考指标:
纯度≥99.9995%
氧含量≤5ppm
氢含量: 500ppm- -5% (可调)
露点≤-70°C
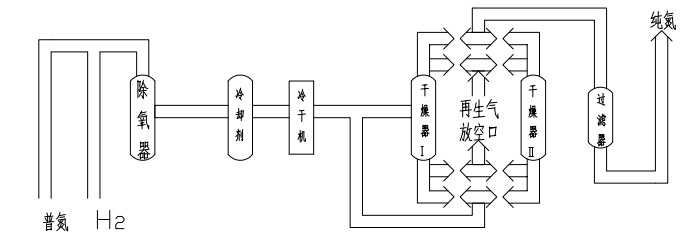
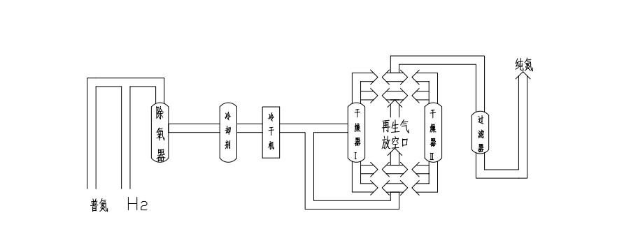
工艺流程图:(二选一)


氮气纯化设备
特点原料气氧含量小于1000ppm时,使用高效脱氧剂加碳除氧,氮气纯度和压力不受氢气影响。
●纯度≥99.9995%
●氧含量≤5ppm
●氢含量:5ppm
●露点≤-70°C
●纯气压力:0.05-0.8Mpa